線性光耦是一種通過輸入電流的變化來控制電阻變化的光電器件。它是利用CDS和LED半導體,經過嚴格的挑選、老化、測試而制成的一種線性光電耦合器件。本產品屬于電流輸入控制型,純電阻無極性輸出控制型。
純電阻材料,無極性輸出
寬范圍類比線性電阻,低阻值導通,高阻值關閉
簡單的電路結構適合直流和交流應用場合
輸入和輸出隔離,低失真耦合
| 型號 | LCR-0203 |
| 封裝 | 鋁殼圓柱形 |
| 輸入電流 | 0—20 ? mA?,最大40mA |
| 輸入電壓 | 1.6—2.5 ? Vdc |
| 輸出亮阻 | 50Ω-1KΩ@20mA-0.01mA |
| 輸出暗阻 | 1Ω-10MΩ@10s off later 1Ω-10MΩ,關斷后10s的測量 |
| 回應時間 | <2.5mS |
| 絕緣電壓 | >2500VRMS |
| 工作頻率 | <300KHz |
| 輸出端耐壓 | <50V |
| 動能范圍 | <100dB |
| 直流耦合電容 | <5pF |
| 最大功耗 | 100mW |
| 輸入極性標志 | LED正極 |
| 使用溫度 | -30—+70℃ |
| 儲藏溫度 | -40—+80℃ |
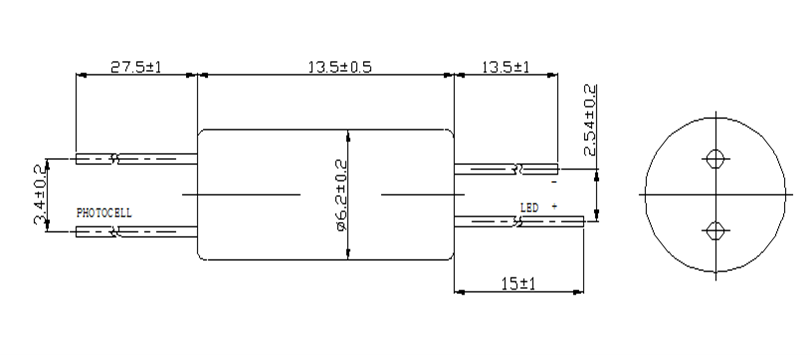
產品尺寸圖
