熱釋電紅外探測器
火焰探測器
單通道
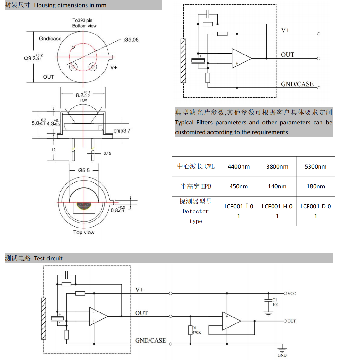
TO-39封裝
電流模式
技術指標 符號 典型值 單位 窗口尺寸 Ф5.5 mm 敏感區域尺寸 As Ф2.5 mm 熱時間常數 τT 50 MS 工作電壓 Vd 5-26 V 推薦工作電壓 Vr 9 視場角 FOV >110 ° 噪聲密度{10Hz,BW1Hz,25℃} Vn <70 μvrms/Hz1/2 電壓響應率(無窗口){500K,10Hz,25℃} Rv >200,000 V/W 比探測率(無窗口){500K,10Hz,BW 1Hz,25℃} D >4.4E+08 cm Hz1/2/W 工作溫度范圍 -40—+80 ℃ 運算放大器 400 X
產品尺寸圖
